Strona 2 z 3
Re: Podłączenie monitora przez Display Port emituje zakłócenia na telewizor
: 07 kwietnia 2017, 10:46 - pt
autor: felizz
Selektor nie jest częścią wzmacniacza i jest w pełni automatyczny, bez gałki zmiany, stąd właśnie wychwalam tego studenta za ten patent. Głośniki są 2+1 komputerowe i one mają wzmocnienie. Instalacja antenowa ma separator przy wzmacniaczu i nie jest uziemiona, bo i nie ma takiej konieczności.
Re: Podłączenie monitora przez Display Port emituje zakłócenia na telewizor
: 07 kwietnia 2017, 10:54 - pt
autor: Tom01
max pisze:Domniemywam, że potencjał tego uziemienia jest inny niż w bolcu ochronnym w gniazdku. Powstaje pętla masy od bednarki zakopanej w ogródku do uziemienia bolca ochronnego, który nie wiadomo gdzie jest.
Ziemia to ziemia i wszędzie ma taki sam potencjał. Uziemienie jest prawdopodobnie w stacji nn kilka kilometrów dalej, ale potencjał bolca i uziemienia lokalnie jest taki sam. Różnica potencjałów powstaje w samych urządzeniach / odbiornikach, połączonych dwoma przewodami, ziemią i masą przewodu sygnałowego.
felizz pisze: ↑07 kwietnia 2017, 08:53 - pt
przewód wyprowadzony z bolca zerowego, dokładany do metalowej części TV lekko iskrzył, a wydaje mi się że nie powinno być tak.
Powinno. Na obudowie urządzenia zasilanego zasilaczem bez przewodu ochronnego zawsze jest inny potencjał niż potencjał ziemi. Po to właśnie jest przewód ochronny, aby ten potencjał sprowadzić do ziemi. Pytanie jeszcze czy bolec w gnieździe jest uziemiony czy zerowany? Od wielu lat jest zakaz zerowania, bolce muszą być podłączone do trzeciego przewodu PE a ten do uziemienia, ale licho wie czy tak jest u Pana.
Jedynym skutecznym sposobem jest przerwanie pętli. W przypadku audio 100% daje zastosowanie łącz optycznych zamiast miedzianych. Przy video trudniej, ale proponuję poświęcić jeden przewód HDMI i przy jednej z wtyczek przeciąć ekran, aby nie było połączenia.
Re: Podłączenie monitora przez Display Port emituje zakłócenia na telewizor
: 07 kwietnia 2017, 11:00 - pt
autor: felizz
Tom01 pisze:ale proponuję poświęcić jeden przewód HDMI i przy jednej z wtyczek przeciąć ekran, aby nie było połączenia.
To się da zrobić bo mam jedną nadprogramową przejściówkę DP>DVI do której i tak chciałem się dobrać bo coś szwankowała.
Re: Podłączenie monitora przez Display Port emituje zakłócenia na telewizor
: 07 kwietnia 2017, 11:29 - pt
autor: max
Łącza optyczne mają spore wady, a w audio wręcz trudnoakceptowalne.
Sygnał cyfrowy elektryczny musi być przekonwertowany na optyczny, następnie świeci sobie diodą (np. czerwoną). Dalej trzeba kupić wysokiej jakości kabel optyczny. W wysokiej jakości kablu optycznym, wtyki i sam przewód mogą być zwykłe. Chodzi o precyzyjne ustawienie cieniutkiego przewodu optycznego względem złączy, aby nie następowała strata sygnału. Następnie na drugim końcu sygnał optyczny musi być znowu konwertowany na elektryczny, nadal cyfrowy. Dalej cała konwersja cyfrowo-analogowa musi się odbywać bezpośrednio w odbiorniku. Dochodzi do tego jeszcze zsynchronizowanie zegarów nadajnika i odbiornika. W sprzęcie audio lepszej klasy jest to trudnoakcpetowalne rozwiązanie, gdyż trzeba dokonać dodatkowej podwójnej konwersji i przesunąć DAC z urządzania dedykowanego do innego.
Tom01 pisze: ↑07 kwietnia 2017, 10:54 - pt
max pisze:Domniemywam, że potencjał tego uziemienia jest inny niż w bolcu ochronnym w gniazdku. Powstaje pętla masy od bednarki zakopanej w ogródku do uziemienia bolca ochronnego, który nie wiadomo gdzie jest.
Ziemia to ziemia i wszędzie ma taki sam potencjał. Uziemienie jest prawdopodobnie w stacji nn kilka kilometrów dalej, ale potencjał bolca i uziemienia lokalnie jest taki sam. Różnica potencjałów powstaje w samych urządzeniach / odbiornikach, połączonych dwoma przewodami, ziemią i masą przewodu sygnałowego.
Ziemia to ziemia, to fakt. Ale potencjały na kablach w różnych miejscach potrafią być już różne co wynika po części z tego powodu, który Pan opisał. Stąd pojawiają się prądy krążące w pętlach masy.
Re: Podłączenie monitora przez Display Port emituje zakłócenia na telewizor
: 07 kwietnia 2017, 13:45 - pt
autor: Tom01
max pisze: ↑07 kwietnia 2017, 11:29 - pt
Ziemia to ziemia, to fakt. Ale potencjały na kablach w różnych miejscach potrafią być już różne co wynika po części z tego powodu, który Pan opisał. Stąd pojawiają się prądy krążące w pętlach masy.
Bzdury Max piszecie. Cokolwiek podłączone do ziemi ma potencjał ziemi. Nigdy nie będzie różny. Chodzi o to, że odbiornik staje się źródłem napięcia a nie różne potencjały ziemi! Jego strona "ujemna" jest podłączona do ziemi a "dodatnia" przewodem do drugiego odbiornika. Obwód się zamyka i płynie prąd.
Re: Podłączenie monitora przez Display Port emituje zakłócenia na telewizor
: 07 kwietnia 2017, 13:48 - pt
autor: max
Ja nie piszę, że ziemia ma różny potencjał w różnych miejscach, bo nie ma. Ja piszę, że kable (o niezerowej długości), wraz długością, wyłapywaniem po drodze różnych pól elektrycznych, zbieraniem różnych innych prądów, zaczynają się różnić od potencjału ziemi, im dalej się od niej znajdują. Każdy robi to w inny sposób. A kabel nie ma zerowej impedancji. Stąd różnice.
Re: Podłączenie monitora przez Display Port emituje zakłócenia na telewizor
: 07 kwietnia 2017, 14:01 - pt
autor: czuk
Tom01 pisze: ↑07 kwietnia 2017, 13:45 - pt
Bzdury Max piszecie. Cokolwiek podłączone do ziemi ma potencjał ziemi. Nigdy nie będzie różny.
Sam nie jestem przekonany czy to prawda,podobno ziemia w różnych miejscach ma różne wartości energetyczne,tak czytałem.
Re: Podłączenie monitora przez Display Port emituje zakłócenia na telewizor
: 07 kwietnia 2017, 14:01 - pt
autor: Tom01
Absolutnie tak nie jest. Przewód, niezależnie od swojej długości ma ten sam potencjał. Pan mówi o zjawiskach spadku napięcia i indukcji, a to jest co innego.
Re: Podłączenie monitora przez Display Port emituje zakłócenia na telewizor
: 07 kwietnia 2017, 14:33 - pt
autor: max
Tom01 pisze: ↑07 kwietnia 2017, 14:01 - pt
Absolutnie tak nie jest. Przewód, niezależnie od swojej długości ma ten sam potencjał.
Nie jestem elektrykiem, więc nie będę się upierał. Wydaje mi się, że z powodu różnic potencjałów na obu końcach przewodu, powstaje w nim napięcie (czyli różnica potencjałów). Gdyby cały przewód miał stały potencjał, nie było by różnicy potencjałów a więc napięcia i nie płynął by nim prąd. Ale może bzdury piszę, bo znam się na tym jak na rakietach kosmicznych.
No w każdym razie, kierowałem się tym artykułem
http://www.audiomatus.com/petla_masy.pdf
i udało mi się usunąć brumienie 50Hz z głośników.
http://livesound.pl/tutoriale/artykuly/ ... petla-masy
Tak mi się jeszcze przypomniało, że bardziej problematyczne są urządzenia z zasilaczem impulsowym, niż tradycyjnym liniowym. Ale teraz niemal wszystkie sprzęty, z wyjątkiem wzmacniaczy audio i co lepszych CD, mają wzmacniacze impulsowe.
Re: Podłączenie monitora przez Display Port emituje zakłócenia na telewizor
: 07 kwietnia 2017, 15:27 - pt
autor: Tom01
max pisze: ↑07 kwietnia 2017, 14:33 - pt
Wydaje mi się, że z powodu różnic potencjałów na obu końcach przewodu, powstaje w nim napięcie (czyli różnica potencjałów).
Różnica potencjałów jest na źródle napięcia, nie na przewodzie. Przewód ma niezerowy opór, to oczywiste, i występuje na nim spadek napięcia. Przy czym to jest zjawisko związane z przepływem prądu. Jeśli prąd nie płynie, potencjał w każdym miejscu jest taki sam. Weźmy kanał z wodą. Jeśli jeden koniec kanału jest niżej, woda płynie dopóki poziom się nie wyrówna. Jak się wyrówna, poziom będzie taki sam, niezależnie od długości ani szerokości kanału.
Re: Podłączenie monitora przez Display Port emituje zakłócenia na telewizor
: 07 kwietnia 2017, 15:38 - pt
autor: max
Dobry przykład.
A czy w przewodzie, będącym pętlą masy, w którym indukuje się prąd na skutek wszechobecnego pola elektrycznego, nie powstaje samoistnie napięcie? Czy nie staje on się wówczas źródłem napięcia?
Innymi słowy, do kanału, na jego długości (np. na środku), również spływa woda z okolicznych pól podczas opadów deszczu. Powstają w nim, na jego długości, zmiany poziomów lustra wody nie tylko na skutek różnicy poziomów na jego końcach. Oczywiście w końcu poziomy lustra się wyrównają wszędzie, na końcach i w środku, ale właśnie na skutek przepływu wody wywołanego różnicą poziomów. A jeśli deszcz pada stale (występujące ciągle pole elektryczne), woda stale przepływa, nawet jeśli oba końce kanału mają ten sam poziom.
Re: Podłączenie monitora przez Display Port emituje zakłócenia na telewizor
: 07 kwietnia 2017, 17:24 - pt
autor: Tom01
Zjawisko indukcji, bo o nim Pan mówi, może spowodować, że pod wpływem zmiennego (słowo klucz), pola magnetycznego lub elektromagnetycznego, może powstać w przewodzie siła elektromotoryczna. Jednakowoż, SEM nie oznacza jeszcze przepływu prądu. Jeśli przewód jest uziemiony, to zaindukowany ładunek spłynie po prostu do ziemi i już go nie ma. Właśnie tak działa ochrona. Jeśliby wystąpił stały przepływ prądu, musiałoby być jego źródło. Tak jak deszcz w jednej części kanału, jak przejdzie, woda przepłynie i znów jest poziom. Samoistne indukcje "środowiskowe" to za mało aby był stały przepływ a on jest warunkiem istnienia różnicy potencjałów. Jedynym źródłem prądu jest chroniony odbiornik. Jeśli z niego zacząłby płynąć prąd, zadziała zabezpieczenie różnicowo-prądowe bo płynąć nie może. Ochrona służy tylko wyrównaniu potencjału, nie przepływowi prądu z odbiornika do ziemi.
Re: Podłączenie monitora przez Display Port emituje zakłócenia na telewizor
: 10 kwietnia 2017, 11:54 - pn
autor: felizz
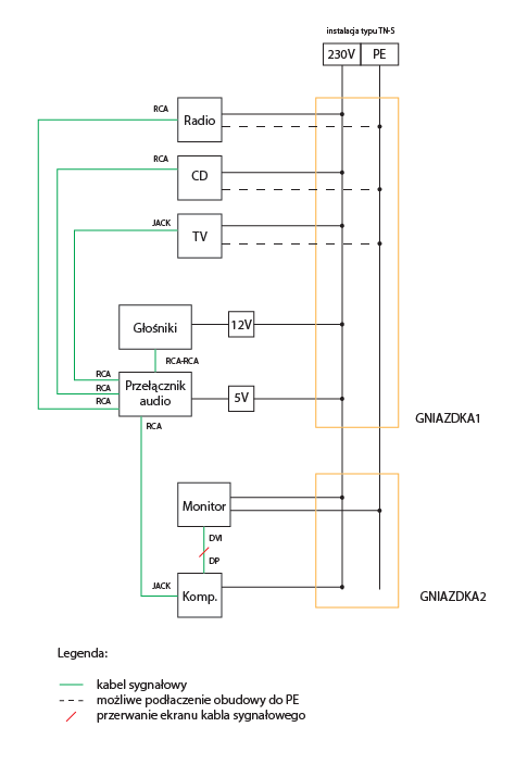
Poczytałem trochę na temat pętli masy i doszedłem do wniosku że trzeba przeanalizować wszystko od nowa, bardziej szczegółowo, a najlepiej zwizualizować sytuację rysunkami.
Scenariusz 1, czyli stan obecny, który powoduje zakłócenia.

- Scenariusz 1
- Obszar roboczy 1.png (15.73 KiB) Przejrzano 6302 razy
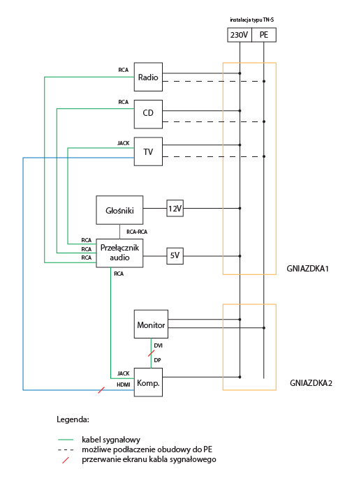
Scenariusz 2, propozycja zaradzenia problemowi
I tu pytanie: co zrobić z przewodem od dźwięku pomiędzy komputerem a przełącznikiem? Czy on nie będzie domykał pętli masy?

- Scenariusz 2
- Obszar roboczy 2.png (18.28 KiB) Przejrzano 6302 razy
Scenariusz 3, trochę taki bonus, bo dodałem połączenie TV z Komputerem via HDMI, które powoduje problemy z przesyłem dźwięku z Komputera na TV. Nie wiem czy kłócą się dwa źródła dźwięku (bo przez HDMI też jest on podawany, a po podłączeniu HDMI, OSX nie daje możliwości sterowanie siła głosu z poziomu systemu). Pomaga odłączenie jacka od komputera, ale nie jest do dobre rozwiązanie, bo na tej linii generuje się brumienie i skutkuje przełączeniem źródła dźwięku z lini TV na Komp. W przypadku dłuższej ciszy w materiale podawanym na TV przełącznik wykrywa sygnał brumienia (na linii komp.) jako stan wysoki przełączając nań (taka jest zasada działania tego przełącznika audio), do momentu gdy nie zewrzemy końcówki jacka, likwidując w ten sposób brumienie i ponownego wykrycia sygnału na linii TV. Ale to jak pisałem, to w tamach ciekawostki, bo nie robię takiego połączanie często.

- Scenariusz 3
- Obszar roboczy 3.png (18.8 KiB) Przejrzano 6302 razy
Panie Tomaszu, co Pan na to?
Re: Podłączenie monitora przez Display Port emituje zakłócenia na telewizor
: 10 kwietnia 2017, 11:58 - pn
autor: Tom01
Pętli w tych rysunkach jest kilka. Problem nie w istnieniu samej pętli a w prądzie, który przez nią płynie. Podłączenie mas do PE powinno załatwić sprawę.
Re: Podłączenie monitora przez Display Port emituje zakłócenia na telewizor
: 10 kwietnia 2017, 12:07 - pn
autor: felizz
Czyli dodatkowo do scenariusza 2: mas zasilacza komputera (prawie niewykonalne), wzmacniacza głośników (nie zasilacza), przełącznika audio?
Re: Podłączenie monitora przez Display Port emituje zakłócenia na telewizor
: 10 kwietnia 2017, 12:08 - pn
autor: Tom01
Przyczyną jest prawdopodobnie jedno z urządzeń, nie wszystkie. Jeśli Pan je wyeliminuje, w sensie potencjał na masie, wszystkie powinny pracować normalnie.
Re: Podłączenie monitora przez Display Port emituje zakłócenia na telewizor
: 10 kwietnia 2017, 12:11 - pn
autor: felizz
Ale w przypadku przełącznika i głośników ma być to masa zasilacza czy już z płytki za zasilaczem (co wydaje mi się trochę ryzykowne)?
Re: Podłączenie monitora przez Display Port emituje zakłócenia na telewizor
: 10 kwietnia 2017, 12:13 - pn
autor: Tom01
Myślę, że bez eksperymentów się nie obędzie.
Re: Podłączenie monitora przez Display Port emituje zakłócenia na telewizor
: 10 kwietnia 2017, 12:23 - pn
autor: max
Na twoich schematach nie ma prawdopodobnej przyczyny "dużej" pętli masy, czyli instalacji antenowej, która również dochodzi do TV i radia, a jej prąd przepływa do PE.
PS. Duża pętla masy jest większa od rozmiaru pokoju, który obejmuje rysunek.
Re: Podłączenie monitora przez Display Port emituje zakłócenia na telewizor
: 10 kwietnia 2017, 12:46 - pn
autor: felizz
No nie wiem co odpowiedzieć. Pierwszy rysunek obrazuje że poza monitorem nic nie jest podłączone do PE. A instalacji anteny TV nie rysowałem celowo, bo jest separator przy zasilaniu wzmacniacza antenowego.